1 / 5
Medovia Medical
Dry screw vacuum pumps operate with two screw rotors rotating in opposite directions. This traps the medium to be pumped between the cylinder and the screw chambers and transports it to the gas discharge. The advanced screw design results in lower electric energy consumption compared to standard screw designs. It also results in a lower heat load of the compressed gas.
Cooling can be achieved through a high performance air cooling method eliminating the need of cooling water or indirect cooling method resulting in uniform temperatures throughout the pump body, eliminating cold spots and providing a thermally stable water jacket. The advanced screw design allows for best-in-class hydrogen pumping capabilities.
| Technical Data | Unit | DSE1100 |
|---|---|---|
| Pumping Speed | m3/h | 1100 |
| Pumping Speed | L/S | 306 |
| Ultimate Vacuum | Torr | 0.04 |
| Ultimate Vacuum | Pa | 5 |
| Motor Power | Kw | 37 |
| Motor Speed | rpm | 2900 |
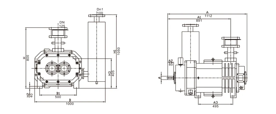
| Inlet Flange | mm | DN125 |
| Outlet Flange | mm | DN100 |
| Cooling Water Pressure | barg | 2~4 |
| Cooling Water Flow | L/min | 8 |
| Cooling Water Temp | ºC | 5-35 |
| Noise | dB(A) | ≤85 |
| Weight | Kg | 1500 |


